Repair & Schematics
Neo Geo AES
RGB Voltage Levels (Neo Geo AES)
19 min
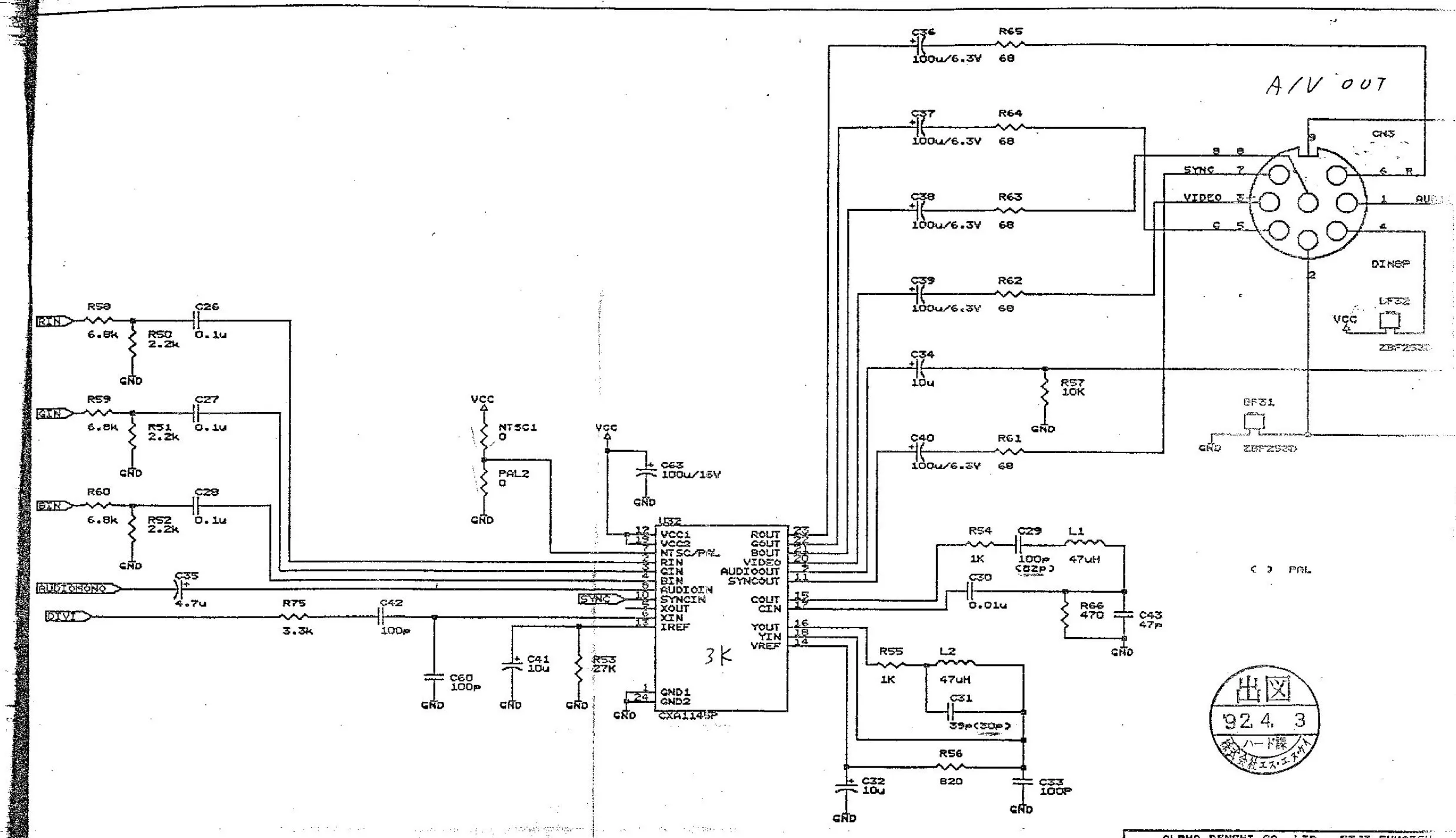
every revision of neo geo aes is different, and there are many revisions the output voltage levels of the rgb and csync signals is very often wrong, usually too low, resulting in a dim screen most mods and "rgb bypass" guides out there do not explain the problem or the solution adequately so the reader can understand why they are doing fixes, and what those are fixing most mods also loose composite video signal when there is absolutely no need if you fix it correctly this results in many fails mods, with people blinding swapping components shown in one revision of board with that of another revision they are working on, not understanding how to test and see the problem, then fix and verify the solution this guide aims to explain the actual architecture, the problem, and the solution, all with full detail and understanding so you can apply this fix to any revision neo geo aes and get absolutely perfect rgb voltage levels although components will be in different locations on the different revisions, the solution of which components to alter will make sense and you can use a multimeter to simply find which pins from an ic go to which resistors or other ics, to correctly find and fix any revision tldr; quick steps watch the mod being done here https //www youtube com/watch?v=68lkq3uqzdm https //www youtube com/watch?v=68lkq3uqzdm in short i would do the following to perfectly set the rgb levels find the voltage divider coming out of lspc (look for the 6 8k / 2 2k resistor banks) remove 6 8k resistors (3 of them), solder in place 10k potentiometers use oscilloscope to probe r g and b output pins of av port while connected to tv turn each 10k pot until the voltage range is 1v whe make sure you test while white is on the screen so it's pure 100% luma once happy, measure potentiometer values and replace with fixed resistors to remove droop short out all 100uf/470uf capacitors by the av port (rgb, sync and composite caps) 6 8k resistor table for quick lookup, here are the resistor values that worked for me to form a perfect ire specification voltage level based on console revision revision serial number resistance output stage resistors nec 16t neo aes 007709 3 4k 68r neo aes 3 6 192236 5 2k 75r neo aes 3 5 107424 5 2k 75r neo aes 3 4 036642 5 6k 68r neo aes 3 3 041160 5 6k 68r lspc to cxa video encoder let's start at the source the lspc custom asic the rgb signals come from the lspc chip, through 2 flip flops (74ls273) which latch in the rgb bits (5 bits per channel), through a resistor ladder then voltage divider and into the cxa1145 for processing after this, the cxa1145 filters and amplifies (by about 40%) this rgb input and outputs it onto the av port via ac coupling and a dc resistor visualise the problem to best visualise the problem on screen, turn on the neo geo aes without any game in to get a a pure solid blue screen if you have an ossc converter, this is perfect open the menu (which is pure blue) and if your neo geo aes is the correct voltage level, you should see no blue box around the menu, and instead the output of the neo geo blue screen should perfectly match as you can see pre fix the blue is very much duller (due to the lower voltage not yet fixed) the output voltage problem i believe snk probably knew they had an output voltage problem, as the standard way to terminate rgb and composite video signals is with 75 ohm resistors, so that the filtering, chroma, and voltage dividing all work between common receivers however, on the neo geo aes many have incorrect resistors, slightly lower, at 68 ohm this would increase slightly the output voltage, as the voltage divider formed by the 68r resistors, and the receivers 75r to ground, would result in an increase in voltage this is why i believe they knew of the problem the ac coupling capacitors are also often very undersized, in this example above 100uf, which is nowhere near enough to prevent field tilt, droop or many other issues ire specification voltage the expected voltage of the rgb signals is 1v (with 0 3v offset being pure black, and 0 3 to 1v being the color) when terminated (connected to receiver with 75r resistor) or 2v floating the expected voltage of the csync pin is 1v terminated / 2v floating like the rgb pins if we measure the voltage out of the neo geo aes rgb and sync pins you will often find they are far under the expected voltage measure with a receiver connected, or a 75r resistor to ground on each output pin to simulate the final expected voltage, and you will see the output voltages are wrong as you can see in this example, the blue output at the av pin is only 466mv , when it should be 1v the csync pin is actually ok as it can really be between 0 2v to 1v when terminated without any issue the input side fix the correct way to fix your voltage level on the rgb pins can be done in two places firstly, we could alter the voltage divider at the input side, lowering the 6 8k to a smaller value, until the output voltages were within specification here is the fixed voltage level by changing the 6 8k to 3 4k in this instance (by stacking another 6 8k on top) the output side fix (not recommended) the other fix is to lower the output side resistors from 68r until the voltage is within specification this can put more current load on the cxa1145 chip so i highly recommend doing the input side fix field tilt & droop fix the remaining issue is the huge droop, and some field shift caused by the under sized capacitors this visually results in brighter image at the top of the screen then fading to the bottom notice the neo geo blue background starts off the same as the ossc menu, then darkens as it goes down remove ac coupling the fix for this is two fold; one use a larger capacitors on the output stage or two, my preferred solution, simply bridge the capacitors so there is no ac coupling you can read about why here even if you still want ac coupling, i would recommend not putting the ac coupling inside of the console, instead use an ac coupled cable specifically designed for it with large capacitors built in this way your console is not fixed as an ac coupled console, but can be either based on the cable the ossc, all my crt, all my pvm and all modern monitors with rgb input have had no issues handling the dc offset rgb signals the benefit is a super clean, no tilt/droop signal coming out at the exact specification for ire standards (this is without a receiver connected, showing the 2v level, which turns to 1v when a receiver is connected before and after to best visualise the relative brightness increase, i have left the ossc menu on with pure blue for both comparisons ignore the focus/sharpness of the image i purposely de focused the images slightly to prevent pixels of the ips display ruining the images