Repair & Schematics
Atari Lynx
DC Power Supply (Atari Lynx)
2 min
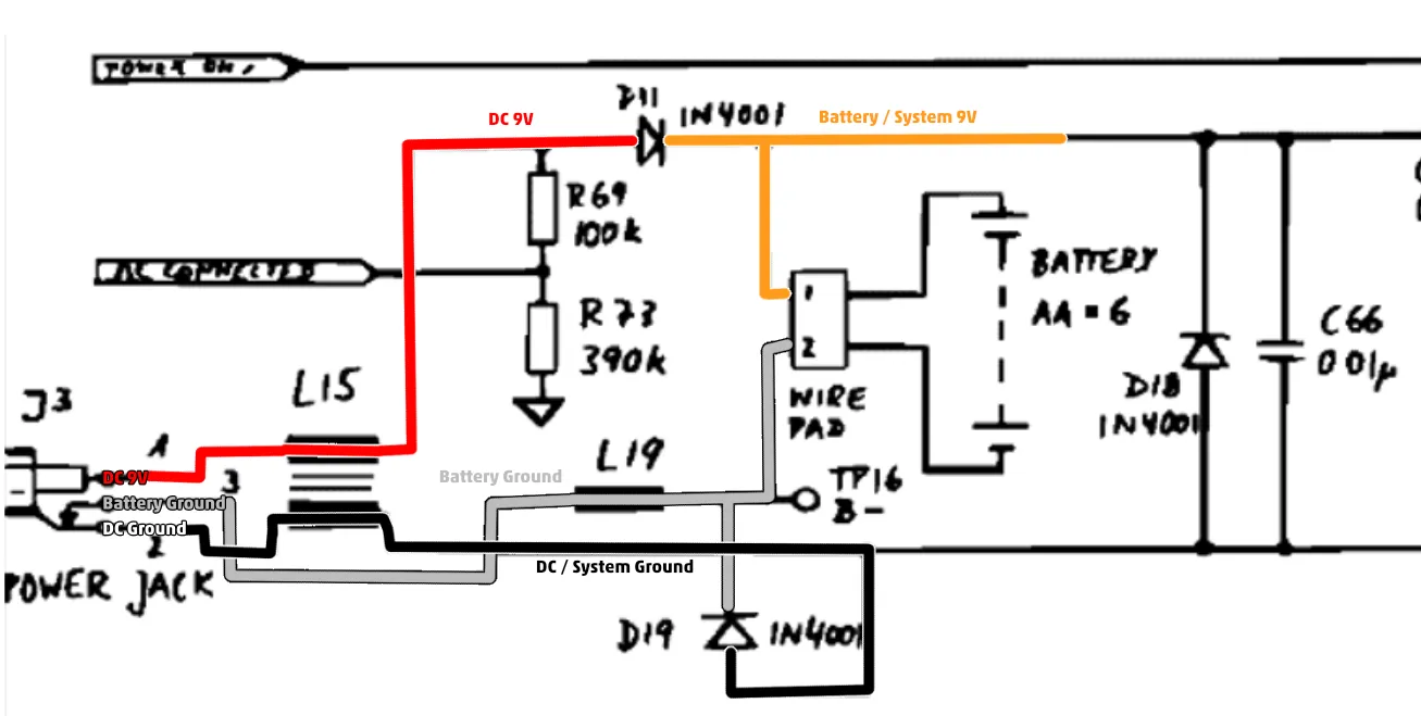
the dc power supply for the atari lynx is a center positive dc jack 9v (3 5mm x 1 3mm) when there is no dc jack connected , the battery ground flows through l19 then through the dc jacks outer pins which are joined together, back out through l15 to ground (before the switched regulator ground) if the dc jack is bad and doesn't join battery ground to system ground, the console will still work as the battery ground will find a path through d19 to system ground, it will just have a slight voltage drop when there is a dc jack connected , the jack disconnects the outer two pins, thereby disconnecting the battery ground spring from dc jack / system ground , the dc jack 9v passes through the other coil of the l15 inductor , through d11 and on to system positive rail (the exact same pin as the battery positive spring) the disconnection between the battery ground and dc ground, and the reverse polarity nature of d19 in relation to the dc jack to battery means the batteries will not get charged by the dc jack while it is inserted if the dc jack failed in a way that kept the outer pins (battery ground and dc jack / system ground shorted), then the batteries could get charged by the dc jack